Pince à tube Batterie Li-Ion (18 V/4 Ah) 4000 A€ 345,44
Beschrijving
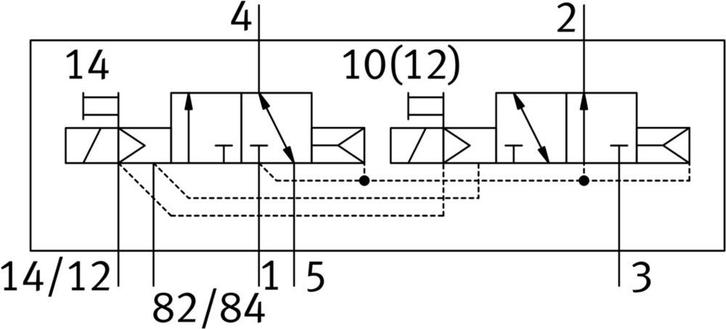
L'électrovanne à air VUVG est une vanne monostable 2x3/2 compacte et haute performance avec fonctionnalité ouvert/fermé. Elle dispose d'un port de travail pneumatique à bride et d'une actionnement électrique, délivrant un débit nominal standard de 150-170 l/min. Cette vanne polyvalente peut être utilisée individuellement ou comme partie d'un manifold, ce qui la rend idéale pour diverses applications de contrôle pneumatique dans l'automatisation industrielle. Son design intérieur innovant optimise l'intensité du flux tout en maintenant un facteur de forme efficace en espace, adapté aux installations où la taille et la performance sont des facteurs critiques.
Tameson est le spécialiste des électrovannes, de la pneumatique et d'autres technologies de tuyauterie. Pour connaître la gamme complète et des conseils pour votre application, visitez notre site Web.
...
...
...
...
...
...
...
...
...
...
...
...
Bezorgt in heel België
0x bekeken
0x bewaard
Sinds 21 apr '25
Zoekertjesnummer: a149313729
Populaire zoektermen
gereedschap en machinesgereedschap machinesmachinesmakita machineshoutbewerking machinesGereedschap | Overige machinespft machinesdewalt machinesoude machinesschoenmakers machinescarrosserie gereedschapwals machinesfestool machinespft machinesstacaravan knokke heist in Stacaravansaxiss hoes in Autostoeltjesremorque barbecue in Houtskoolbarbecuestarmac frame in Fietsen | Racefietsenstookolie liter in Verwarming en Radiatorenyves renard in Portemonneesraphael in Caravanskast 1m in Kasten | Kleerkastenkookpot set in Keuken | Potten en Pannengrohe regendouche in Sanitair