WaveDesign PowerBox Spiegelkast Connector 140x45x63mm -€ 49,44
Beschrijving
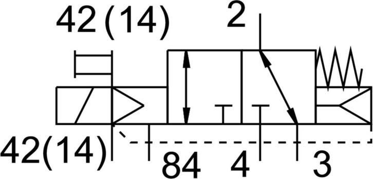
Het VUVG lucht magneetventiel is een compact 3/2 gesloten, monostabiel ventiel ontworpen voor efficiënte pneumatische controle. Met een standaard nominale debiet van 130 l/min en flensstijl pneumatische werkpoorten, biedt dit elektrisch aangedreven ventiel veelzijdige prestaties voor industriële automatiseringstoepassingen. Als onderdeel van de VUVG-serie heeft het een plug-in bouwvorm met centrale voeding en gemeenschappelijke aarde, waardoor het geschikt is voor integratie in ventielmanifolds met multi-pin of veldbusinterfaces. ATEX-conforme varianten zijn beschikbaar voor gebruik in potentieel explosieve omgevingen.
Tameson is de specialist in magneetventielen, pneumatiek en overige leidingtechniek. Kijk voor het volledige aanbod en advies voor uw toepassing op onze website.
...
...
...
...
...
...
...
...
...
...
...
...
Bezorgt in heel België
0x bekeken
0x bewaard
Sinds 21 apr '25
Zoekertjesnummer: a149312135
Populaire zoektermen
bouw stellingtrilplaat bouwbouw stippenbouw overschotbouw stellingbouw schragendoe het zelf garagebouw stuttenbouw steunenbouw schragenbouw stuttentrilplaat bouwbouw schorenbouw unitgibson sg standard in Snaarinstrumenten | Gitaren | Elektrischtc helicon voicelive in Effectenzitbank in Zetels | Zetelsshein in Broeken en Pantalonsgratis lebbeke in Aarde en Mestmatrijs in Geschiedenis | Werelddigitale vleugel piano in Piano'shonda valkyrie in Motoren | Hondamark levinson in Versterkers en Ontvangers